DID-F_3d_01png.png
DID-F
Verstellbare Luftleitelemente 
4 verschiedene Befestigungsmöglichkeiten
3 verschiedene Varianten für den Wasseranschluss
DID-F_3d_01png.png

DID-F  

Kompakter, zweiseitig ausströmender Deckeninduktionsdurchlass, einfach kombinierbar mit weiteren Systemen zur Raumtemperierung, beispielsweise Betonkern- bzw. Bauteilaktivierung


Deckeninduktionsdurchlass geeignet zur freihängenden Montage bzw. Einbau ohne abgehängte Zwischendecke

  • Kostengünstige Lösung bei Sanierungen und geringer Deckenhöhe
  • Kompaktes Lüftungssystem zur Raumtemperierung bei offener Deckenkonstruktion
  • Flexibel einsetzbar – Montage direkt unter der Decke oder freihängend im Raum
  • Kurze Leitungswege aufgrund der stirnseitigen Anschlüsse bei Medienversorgung von der Flurseite
  • Individuelle, manuell verstellbare Luftführung mit optional verfügbaren Luftleitelementen
  • Geringe Bauhöhe durch horizontalen Wärmeübertrager und gleichzeitig hohe thermische Lastabfuhr über das Medium Wasser

 


 

Aktualisiere Bestellschlüssel
Speichere Konfiguration
Ihr Preis wird berechnet
Aktualisiere technische Daten
  • Medien
Ausschreibungstext:
Aktualisiere Auschreibungstext
Vollständigen Text anzeigen Vollständigen Text verbergen
Initialisiere Bestellschlüssel

Allgemeine Informationen

Anwendung

  • Deckeninduktionsdurchlässe geeignet zur direkten Montage unter der Rohdecke oder freihängend im Raum
  • Eine Zwischendecke wird nicht benötigt, somit können diese Geräte ideal mit einer Bauteilaktivierung kombiniert werden
  • Für eine Installationshöhe bis vorzugsweise 4 m, die Raumhöhe kann größer sein
  • Heizen mit dem DID-F ist nur möglich, wenn die Geräte direkt unter der Rohdecke montiert werden und die Installationshöhe ≤ 4 m beträgt
  • Ausströmrichtung kann über verstellbare Luftleitelemente nachträglich manuell angepasst werden
  • Vorzugsweise mit einem 2-Leiter-Wärmeübertrager zum Kühlen, bei direkter Montage unter der Rohdecke auch 4-Leiter-Wärmeübertrager zum Kühlen und Heizen möglich
  • Komfortable Raumtemperierung bei kleinem konditioniertem Primärluftvolumenstrom
  • Energetische Vorteile von Wasser als Medium zum Heizen und Kühlen werden genutzt

Besondere Merkmale

  • Die optional verfügbare Kanalverkleidung ermöglicht eine zentrale Installation des Deckeninduktionsdurchlasses auch bei größeren Raumtiefen, indem die erforderlichen Versorgungsleitungen für die Medien Luft und Wasser in gleicher Optik verkleidet werden
  • Manuell verstellbare Luftleitelemente zur Strahllenkung ermöglichen eine Reduzierung der vh1- und vl-Geschwindigkeiten im Aufenthaltsbereich
  • Horizontaler Wärmeübertrager als 2-Leiter-System und bei direkter Montage unter der Decke und einer maximalen Einbauhöhe von 4 m auch als 4-Leiter-System zum Heizen und Kühlen möglich
  • Innenliegendes Düsenblech mit gestanzten, nicht brennbaren Düsen
  • Wasseranschluss stirnseitig, CU-Rohr Ø12 mm, glattes Rohrende, Außengewinde G½" flachdichtend oder Überwurf G½" flachdichtend

Nenngrößen

  • 1200, 1500, 1800, 2100, 2400, 2700, 3000 mm



Beschreibung

Varianten

Wärmeübertrager

  • 2: Für 2-Leiter-Systeme
  • 4: Für 4-Leiter-Systeme

Düsenvarianten

  • HE: kleine Öffnung
  • S1: mittelgroße Öffnung
  • S2: große Öffnung
  • HP: übergroße Öffnung


Anbauteile

Wasseranschlüsse

  • Keine Eintragung: glatte Rohrenden Ø12mm
  • A1: mit Außengewinde G½" flachdichtend
  • A2: mit Überwurf G½" flachdichtend


Luftleitelemente zur manuellen nachträglichen Verstellung der 
Zuluftströmung.

Zubehör

  • Kanalverkleidung zur Verkleidung der Versorgungsleitungen für die Medien Luft und Wasser, wenn der Deckeninduktionsdurchlass tiefer bzw. mittig im Raum eingebaut wird (Kanalverkleidung verfügt über die gleiche Kontur, wie der DID-F)
  • Heiz- und Kühlventile zum Regeln der Kühl- und ggf. Heizleistung


Ergänzende Produkte

  • Anschlussschläuche
  • Regelung bestehend aus Raumbediengerät inklusive Regler mit integriertem Raumtemperaturfühler, Ventilen und Ventilantrieben sowie den Rücklaufverschraubungen
  • Regelung X-AIRCONTROL mit der Option zur Aufschaltung auf die Gebäudeleittechnik (GLT)


Konstruktionsmerkmale

  • Luftanschluss passend für runde Luftleitungen nach EN1506 bzw. EN13180
  • Verschiedene Befestigungssysteme zur Abhängung mit Haken, Seilen, Gewindestangen bzw. direkt unter der Rohdecke
  • 4 Düsenvarianten zur bedarfsabhängigen Induktion
  • Induktionsgitter mit versetzter Rundlochung
  • Stirnseitige Medienanschlüsse


Materialien und Oberflächen

  • Gehäuse, Induktionsgitter, Anschlussstutzen, Befestigungswinkel und Kanalverkleidung aus verzinktem Stahlblech
  • Düsenblech aus Stahlblech
  • Wärmeübertrager aus Kupferrohren und Aluminiumlamellen
  • Sichtflächen pulverbeschichtet, reinweiß (RAL 9010) oder in einem anderen Farbton nach RAL Classic
  • Luftleitelemente aus Polypropylen, nach UL 94, flammwidrig (V0)


Normen und Richtlinien

  • Produkte sind unter der Nummer 09.12.432 nach Eurovent zertifiziert und auf den Eurovent-Internetseiten gelistet
  • Hygienekonformitätserklärung nach VDI 6022


Instandhaltung

  • Keine beweglichen Bauteile, daher wartungsarm
  • Wärmeübertrager kann bei Bedarf mit Industriestaubsaugern abgesaugt werden
  • Es gilt VDI 6022 Blatt 1 – Hygienische Anforderungen an raumlufttechnische Anlagen

Technische Information

Funktion, Technische Daten, Schnellauslegung, Ausschreibungstext, Bestellschlüssel

  • FUNKTION
  • TECHNISCHE DATEN
  • SCHNELLAUSLEGUNG
  • AUSSCHREIBUNGSTEXT
  • BESTELLSCHLÜSSEL

Deckeninduktionsdurchlässe versorgen den Raum mit zentral aufbereiteter Primärluft (Außenluft) und decken mit Wärmeübertragern die Kühl- und/oder Heizlast ab. Die Primärluft strömt durch die Düsen (4 verschiedene Varianten) in die Mischkammer, wodurch Sekundärluft induziert wird. Die Sekundärluft strömt durch das Induktionsgitter und den horizontalen Wärmeübertrager, wo sie geheizt oder gekühlt wird. Beide Luftstrahlen vermischen sich und strömen als Zuluft über die seitlichen Luftdurchlassschlitze in den Raum. Der DID-F erfüllt diese Funktion ohne abgehängte Zwischendecke und kann entweder direkt unter der Rohdecke oder abgehängt im Raum montiert werden.


LNPrimärluftKühlen / 4-Leiter-SystemHeizen / 4-Leiter-System
qvPr [l/s]qvPr [m³/h]Δpt [Pa]LWA [dB(A)]Φges [W]ΦWK [W]tw,r[°C]ΔpW [kPa]Φges = ΦWH [W]tw,r[°C]ΔpW [kPa]
HE120013.334863< 1579563417.812.699244.31.1
HE120026.399524833128196318.812.6130542.51.1
HE150016.676064< 1597677518.215.4121043.11.3
HE150032.78118247341555116019.315.41575411.3
HE180020.287367< 15116391918.618.2142541.81.6
HE180039.17141249341817134519.918.2182839.51.6
HE210023.618567< 151290100519.515.2162240.71.8
HE210045.5616424835198814392115.2206638.21.8
HE240027.229869< 151456112819.917.2181839.62.1
HE240051.94187250352213158721.517.2229136.92.1
HE270030.5611069< 151605123720.319.2199738.62.3
HE270058.06209249352422172221.919.2249935.72.3
HE300033.8912269151749134120.621.2216837.62.6
HE300064.44232249352628185222.421.2269934.52.6
S1120021.677866< 1598272118.112.6108743.81.1
S1120041.9415124936153610301912.6138542.11.1
S1150027.781007016122889318.615.4133642.31.3
S1150052.5189250371875124319.615.4167340.41.3
S1180033.331207016144610451918.2156041.11.6
S1180062.78226249372194143820.118.2193938.91.6
S1210038.8914071171605113719.915.2177339.81.8
S1210073.06263250382412153221.315.2218837.51.8
S1240044.7216172191807126820.417.2198038.42.1
S1240083.06299250392685168421.817.2241936.12.1
S1270050.2818173211994138920.819.2217237.52.3
S1270092.78334249402942182422.319.2263534.92.3
S1300055.8320174232175150221.221.2235436.52.6
S13000102.5369249413190195522.721.2283833.72.6
S2120022.788232< 1588761217.812.792944.71.1
S2120063.33228249371865110219.212.71398421.1
S2150028.8910433< 15110675818.215.4114343.41.3
S2150079.17285247< 382279132519.815.4168740.31.3
S218003512633< 15131989718.618.2134642.31.6
S2180095.56344249402686153520.418.2196038.81.6
S2210040.8314734< 15147698419.415.2153541.21.8
S22100111.39401250412971162921.615.2221237.31.8
S2240046.6716834< 151660109819.817.2171640.22.1
S22400127.22458250423322178922.217.22448362.1
S2270052.7819034< 151847121120.219.2189439.12.3
S22700142.5513250433653193622.719.2266734.72.3
S2300058.6121135162021131520.521.2205938.22.6
S23000157.5567250453968207123.121.2287333.52.6
HP120034.7212534< 1511197001812.6107243.91.1
HP120093.61337250442278115019.312.6152041.31.1
HP150043.891583517138986118.515.4131142.51.3
HP1500117.542325045279813822015.4183139.51.3
HP180053.0619135191652101318.918.2153741.21.6
HP1800141.11508250473296159620.618.2211937.91.6
HP210061.9422336211850110419.815.21747401.8
HP2100163.61589250483656168521.815.2238236.31.8
HP240071.1125637232089123220.217.2195138.82.1
HP2400183.06659243504043183822.317.22617352.1
HP27008028838262314135020.619.2214137.72.3
HP2700188.61679209504210193722.719.22788342.3
HP300089.173213928253914652121.2232536.72.6
HP3000189.17681174504291201222.921.2292833.22.6


① Düsenvariante

Schallleistungspegel


Bezugsgrößen

ParameterKühlenHeizen
tR26 °C22 °C
tPr16 °C22 °C
tWV16 °C50 °C
qv,W (LN 900 – 1800 mm)300 l/h150 l/h
qv,W (LN 2100 – 3000 mm)250 l/h150 l/h

Zweiseitig ausströmende Deckeninduktionsdurchlässe Serie DID-F sind zur freihängenden bzw. direkten Montage unter der Rohdecke geeignet und bieten besten Komfort dank optimaler Ausströmwinkel und maximaler Induktion. Der aktive Deckeninduktionsdurchlass kann autark oder als ideale Ergänzung einer Bauteilaktivierung eingesetzt werden, da er positive Effekte auf die dem Raum zugeführte thermische Leistung hat. Eine abgehängte Zwischendecke ist für dieses Luft-Wasser-System nicht erforderlich und die maximale Installationshöhe sollte vorzugsweise 4 m nicht überschreiten. Zur Befestigung sind optional 3 verschiedene Montagesätze, aber 4 verschiedene Montagemöglichkeiten gegeben, die mit üblichen Befestigungsmaterialien montiert werden. Dadurch wird eine schnelle und einfache Montage in Abhängigkeit der baulichen Gegebenheiten ermöglicht. Die Auslegung der technischen Daten kann durch die Wahl einer von 4 möglichen Düsengrößen beeinflusst werden. Die Düsen werden in das Düsenblech gestanzt und sind nicht brennbar. Der Primärluftvolumenstrom kann aus hygienischen und energetischen Gründen gering sein. Damit lassen sich in Kombination mit dem horizontalen Wärmeübertrager große Heiz- und/oder Kühlleistungen abführen. Die stirnseitig positionierten Wasseranschlüsse sind wahlweise als glattes Rohrende, G½" Außengewinde flachdichtend oder G½" Überwurf erhältlich. Der Primärluftanschluss befindet sich auf derselben Anschlussseite wie die Wasseranschlüsse und ist in den  Nenndurchmesser 125 mm 160 mm und 200 mm verfügbar. Dadurch wird ein direkter Geräteanschluss z. B. über die Flurseite ermöglicht, und eine aufwendige Leitungsführung im Raum wird vermieden. Runde Luftleitungen nach EN 1506 bzw. EN 13180 können direkt montiert werden. Durch die auslaufende Lochung im Induktionsgitter fügt sich der DID-F ideal in die Umgebung ein. Die optional verfügbaren Luftleitelemente ermöglichen jederzeit eine manuelle Beeinflussung der Luftführung.


Besondere Merkmale

  • Die optional verfügbare Kanalverkleidung ermöglicht eine zentrale Installation des Deckeninduktionsdurchlasses auch bei größeren Raumtiefen, indem die erforderlichen Versorgungsleitungen für die Medien Luft und Wasser in gleicher Optik verkleidet werden
  • Manuell verstellbare Luftleitelemente zur Strahllenkung ermöglichen eine Reduzierung der vh1- und vl-Geschwindigkeiten im Aufenthaltsbereich
  • Horizontaler Wärmeübertrager als 2-Leiter-System und bei direkter Montage unter der Decke und einer maximalen Einbauhöhe von 4 m auch als 4-Leiter-System zum Heizen und Kühlen möglich
  • Innenliegendes Düsenblech mit gestanzten, nicht brennbaren Düsen
  • Wasseranschluss stirnseitig, CU-Rohr Ø12 mm, glattes Rohrende, Außengewinde G½" flachdichtend oder Überwurf G½" flachdichtend


Materialien und Oberflächen

  • Gehäuse, Induktionsgitter, Anschlussstutzen, Befestigungswinkel und Kanalverkleidung aus verzinktem Stahlblech
  • Düsenblech aus Stahlblech
  • Wärmeübertrager aus Kupferrohren und Aluminiumlamellen
  • Sichtflächen pulverbeschichtet, reinweiß (RAL 9010) oder in einem anderen Farbton nach RAL Classic
  • Luftleitelemente aus Polypropylen, nach UL 94, flammwidrig (V0)

Technische Daten

  • Länge = Nennlänge: 1200, 1500, 1800, 2100, 2400, 2700 und 3000 mm
  • Höhe: 221, 256, 296 mm
  • Breite: 400 mm
  • Durchmesser Anschlussstutzen: 123, 158 und 198 mm
  • Kühlleistung bis 4290 W
  • Heizleistung bis 2920 W
  • Maximaler Betriebsdruck wasserseitig: 6 bar
  • Maximale Betriebstemperatur: 75 °C


DID-F4S2A2 / 1200 x 123 x 1000 / A / LE / P1 – RAL …
||||||||||
12345678910
1 Serie
DID-F Deckeninduktionsdurchlass
 
2 Wärmeübertrager
2 2-Leiter
4 4-Leiter
 
3 Düsenvariante

HE klein
S1 mittel
S2 groß
HP übergroß
 
4 Wasseranschlüsse
Keine Eintragung: glatte Rohrenden Ø12 mm
A1 mit Außengewinde G½", flachdichtend
A2 mit Überwurf G½", flachdichtend
 
5 Nennlängen [mm]
1200, 1500, 1800, 2100, 2400, 2700, 3000
 
6 Primärluftstutzen
123
158
198
 
7 Kanalverkleidung
Keine Eintragung: ohne
1000 Länge 200 – 2900 mm
 
8 Befestigungsvariante
Keine Eintragung: Montage durch Gewindesacklöcher M6
A Montagesatz für Montage direkt unterhalb der Decke
B Montagesatz für freihängende Montage mit Befestigungswinkeln
C Montagesatz für freihängende Montage mit Aufhängelaschen
 
9 Luftleitelemente
Keine Eintragung: ohne
LE mit Luftleitelementen
 
10 Oberfläche Sichtseite
Keine Eintragung: pulverbeschichtet RAL 9010, reinweiß
P1 pulverbeschichtet, RAL CLASSIC Farbton angeben
 
 
 
 
 Bestellbeispiel: DID-F–2–S1/1500×123×
Wärmeübertrager2-Leiter-System
Düsenvariantemittelgroße Öffnung
Wasseranschlüsseglatte Rohrenden Ø12 mm
Gerätelänge1500 mm
Durchmesser Primärluftstutzen123 mm
Kanalverkleidungohne
BefestigungsvarianteGewindesacklöcher M6
Luftleitelementeohne
Oberfläche Sichtseitepulverbeschichtet in RAL 9010 GE 50, reinweiß


Bestellbeispiel: DID-F–4–S2–A2/1800×198×1000/A/LE/P1-RAL9016

Wärmeübertrager4-Leiter-System
Düsenvariantegroße Öffnung
Wasseranschlüssemit Überwurf G½" flachdichtend
Gerätelänge1800 mm
Durchmesser Primärluftstutzen 198 mm
Kanalverkleidungmit Kanalverkleidung 1000 mm lang
BefestigungsvarianteMontagesatz zur direkten Montage unter der Decke 
Luftleitelementemit Luftleitelementen 
Oberfläche Sichtseite pulverbeschichtet in RAL 9016 GE 70, verkehrsweiß


Hinweis: 4-Leiter-Wärmeübertrager sollten nur bei direkter Montage unter der Rohdecke und einer Installationshöhe von ≤ 4,0 m verwendet werden.

Varianten

  • VARIANTEN
  • ABMESSUNGEN

DID-F mit Kanalanschluss

Anwendung

  • Kanalverkleidung ermöglicht eine optisch ansprechende Abdeckung der bauseitigen Versorgungsleitungen, wenn der DID-F tiefer im Raum montiert wird
  • Kanalverkleidungen sind in den Längen 200 – 2900 mm bestellbar
  • Kanalverkleidung lässt sich optisch unauffällig in den Raum integrieren, weil sie eine vergleichbare Geometrie wie der DID-F hat


Materialien und Oberflächen

  • Kanalverkleidung aus verzinktem Stahlblech
  • Sichtflächen pulverbeschichtet, reinweiß (RAL 9010) oder in einem anderen Farbton nach RAL Classic


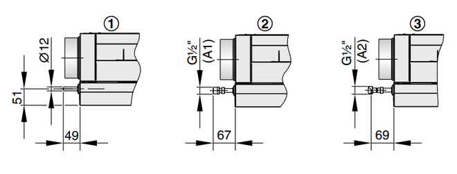
Wasseranschlüsse

Anwendung

  • Wasseranschlüsse bilden die Schnittstelle zwischen Induktionsdurchlass und bauseitigem Rohrnetz
  • Um die für das Projekt jeweils beste Form des Übergangs zu finden, gibt es wahlweise 3 verschiedene Wasseranschlüsse
  • Glattes CU-Rohr ø 12 mm – Anschluss ist insbesondere für einen direkten Anschluss an ein Kupferrohrnetz geeignet, dabei können alle üblichen Verbindungstechniken wie z. B. Löten, Pressen und Stecken eingesetzt werden
  • A1, flachdichtendes Außengewinde G1/2 " – Wasseranschluss ist insbesondere für die Verbindung mit Überwürfen geeignet, dadurch entsteht eine lösbare Verbindung
  • A2, flachdichtender Überwurf G1/2" – auch hier liegt eine lösbare Verbindung vor, die insbesondere für den direkten Anschluss von Regelventilen und Absperrorganen geeignet ist
  • Alle bauseitigen Verbindungen müssen nach erfolgter Installation abgedrückt und auf Dichtigkeit geprüft werden


Nenngrößen

  • 1200, 1500, 1800, 2100, 2400, 2700, 3000 mm


Ergänzende Produkte

  • Anschlussschläuche Serie FS sind mit Verbindungen für alle Wasseranschlussvarianten verfügbar


Befestigungsvarianten

Anwendung

  • Deckeninduktionsdurchlässe der Serie DID-F, geeignet zur direkten Montage unter der Rohdecke oder freihängend im Raum
  • Eine Zwischendecke wird nicht benötigt, somit können diese Geräte ideal mit einer Bauteilaktivierung kombiniert werden
  • Für eine Installationshöhe bis vorzugsweise 4 m, die Raumhöhe kann größer sein
  • Ausströmrichtung kann über verstellbare Luftleitelemente nachträglich manuell angepasst werden
  • Vorzugsweise mit einem 2-Leiter-Wärmeübertrager zum Kühlen, bei direkter Montage unter der Rohdecke auch 4-Leiter-Wärmeübertrager zum Kühlen und Heizen möglich
  • Komfortable Raumtemperierung bei kleinem konditioniertem Primärluftvolumenstrom
  • Energetische Vorteile von Wasser als Medium zum Heizen und Kühlen werden genutzt


Luft-Wasser-Systeme bieten neben dem Standard auch vielfältige projektspezifische Lösungsansätze, wie z.B. die Kombination mit Licht oder vertikal positionierte Anschlussstutzen. Bei Bedarf entwickeln wir gerne die passende projektspezifische Variante für Ihr Projekt. Kontaktieren Sie hierzu einfach Ihren TROX Ansprechpartner.

ØD

H

HS

123

221

147

158

256

164,5

198

296

184,5



K

200 – 2900 in mm-Schritten

L

1200, 1500, 1800, 2100, 2400, 2700, 3000 mm


Abmessungen – 1 Stutzen horizontal

LN
1200HE158123 & 198
1500HE158123 & 198
1800HE158123 & 198
2100HE158123 & 198
2400HE158123 & 198
2700HE158123 & 198
3000HE158123 & 198
1200S1158123 & 198
1500S1158123 & 198
1800S1158123 & 198
2100S1158123 & 198
2400S1158123 & 198
2700S1158123 & 198
3000S1158123 & 198
1200S2198158
1500S2198158
1800S2198158
2100S2198158
2400S2198158
2700S2198158
3000S2198158
1200HP198158
1500HP198158
1800HP198158
2100HP198158
2400HP198158
2700HP198158
3000HP198158


Downloads

Produktinfos

Zertifikate

production {"x-frame-options"=>"SAMEORIGIN", "x-xss-protection"=>"0", "x-content-type-options"=>"nosniff", "x-permitted-cross-domain-policies"=>"none", "referrer-policy"=>"strict-origin-when-cross-origin", "strict-transport-security"=>"max-age=31536000; includeSubDomains", "content-type"=>"text/html; charset=utf-8", "link"=>"</assets/application-efbc495b06ca980ef13dc743756002fce2f413f798fecb64c7f0c81954c16402.css>; rel=preload; as=style; nopush,</assets/print-fec2e47d6d8dcc5d4c101139f17046ba981ca1c12f71e7e403fba50cc7584175.css>; rel=preload; as=style; nopush,</assets/other_js/modernizr.custom.93544-c26374a79d804901074bb4aa6fd3fa44ea22e840389915d2adce16b024021ef3.js>; rel=preload; as=script; nopush,</assets/other_js/js.cookie.min-de103d86d1919b40950f791699b4ce768137fde41af09b35ff92bde369732183.js>; rel=preload; as=script; nopush,</assets/other_js/jquery-3.5.1-2c4ce18a1a3f144c333912efc24a76c9a165a0dba9f88a499985df1af0a196a2.js>; rel=preload; as=script; nopush"}

Seite teilen

Diese Seite weiterempfehlen

Hier haben Sie die Möglichkeit diese Seite als Link weiter zu empfehlen.

Mit Stern (*) markierte Felder sind Pflichtfelder.

Kontakt

Vielen dank für Ihre Nachricht!

Ihre Empfehlung wurde verschickt und sollte jeden Moment beim Empfänger eingehen.

Kontakt

Wir sind für Sie da

Bitte spezifizieren Sie das Thema Ihrer Anfrage und Ihre Kontaktdaten.
Tel.: +43 1 250 43-0

Anhang (max. 10MB)

Mit Stern (*) markierte Felder sind Pflichtfelder.

Kontakt

Vielen Dank für Ihre Nachricht!

Ihre Nachricht in ist unserem Service Center eingegangen und wird bearbeitet.
Unsere Abteilung für Service-Anfragen wird sich in Kürze mit Ihnen in Verbindung setzten.
Für allgemeine Fragen zu Produkten und Services erreichen Sie uns auch unter:
Tel.: +43 1 250 43-0

Kontakt

Wir sind für Sie da

Bitte spezifizieren Sie das Thema Ihrer Anfrage und Ihre Kontaktdaten.
Tel.: +43 1 250 43-0

Anhang (max. 10MB)

Mit Stern (*) markierte Felder sind Pflichtfelder.

Kontakt

Vielen Dank für Ihre Nachricht!

Ihre Nachricht in ist unserem Service Center eingegangen und wird bearbeitet.
Unsere Abteilung für Service-Anfragen wird sich in Kürze mit Ihnen in Verbindung setzten.
Für allgemeine Fragen zu Produkten und Services erreichen Sie uns auch unter:
Tel.: +43 1 250 43-0