00136609_0
Limit switch


00133098_0
Limit switch


00133102_0
Solenoid valve


00136609_0
00133098_0
00133102_0

Z0* – Gas-tight dampers

For capturing the end positions (OPEN and/or CLOSED) of dampers and providing the control input signal for pneumatic actuators

Limit switches for gas-tight shut-off dampers, solenoid valves for gas-tight shut-off dampers with pneumatic actuators

  • Limit switches for capturing the end positions of gas-tight shut-off dampers
  • Solenoid valve to provide the control input signal for NAK-P
  • Different opening and closing times can be set using throttle valves (at least 2 s)

Application

Application

  • Limit switches for capturing the end positions (OPEN and/or CLOSED) of gas-tight shut-off dampers
  • Electric signals of limit switches are integrated with system control
  • Solenoid valve to provide the electric control input signal for double acting pneumatic actuators

Technical information

Function, Technical data

  • Function
  • TECHNICAL DATA

Functional description

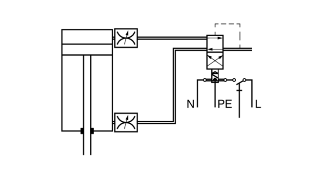
The actuator moves the blades of a gas-tight shut-off damper into OPEN or CLOSED position.

The easiest way to generate the control input signal is electrically, using solenoid valves.

Different opening and closing times can be set using throttle valves.


Double acting pneumatic actuators

The shut-off damper is opened and closed with compressed air. For this purpose, the actuator has two tube connections. Compressed air is applied to one tube connection while the other connection remains open such that the air can escape from the corresponding chamber of the actuator. For the other direction of rotation, the process is reversed.

Limit switch

Type of contact

1 NC contact, 1 NO contact, double throw

Switch rating

15 AC, 6 A, 230 V AC

Service life

107 switching cycles

Cable gland

PG13.5

IEC protection class

II (protective insulation)

Protection level

IP 66

EC conformity

EMC to 2004/108/EU, low voltage to 2006/95/EU

Operating temperature

−20 to 80 °C


Solenoid valve 5413, 230 V

Supply voltage

230 V AC ± 10 %, 50/60 Hz

Power rating

2 W

Pressure range

6.0 bar

Flow rate Q Nn

900 l/min

Compressed air

Neutral media such as compressed air containing oil or oil-free compressed air

Air connection

G 1/4"

IP 65 connector

2508, to DIN 43650, type A

Protection level

With IP 65 connector

EC conformity

EMC according to 2004/108/EC

Weight

0.4 kg


Variants

  • Variants

Any attachments are defined with the order code of the gas-tight shut-off damper.

Limit switch

Application

  • Limit switch
  • Volt-free contacts for signalling or activating switch functions

Solenoid valve

Application

  • Solenoid valve 5413 Namur 230 V, with connector

Parts and characteristics

  • Supply voltage 230 V DC ± 10 %
  • Control input signal: Supply voltage on/off
  • IP 65 connector

Attachments for gas-tight shut-off dampers NAK-H, NAK-E, NAK-E1

Order code detail Limit switch

Z01

1, damper CLOSED

Z02

1, damper OPEN

Z03

2, damper OPEN and CLOSED


Attachments for gas-tight shut-off dampers NAK-P

Order code detail Solenoid valve Limit switch

Z04

1

Z05

1

1, damper CLOSED

Z06

1

1, damper OPEN

Z07

1

2, damper OPEN and CLOSED


Electrical connection

  • Electrical connection

Downloads

product information

production {"x-frame-options"=>"SAMEORIGIN", "x-xss-protection"=>"0", "x-content-type-options"=>"nosniff", "x-permitted-cross-domain-policies"=>"none", "referrer-policy"=>"strict-origin-when-cross-origin", "strict-transport-security"=>"max-age=31536000; includeSubDomains", "content-type"=>"text/html; charset=utf-8", "link"=>"</assets/application-efbc495b06ca980ef13dc743756002fce2f413f798fecb64c7f0c81954c16402.css>; rel=preload; as=style; nopush,</assets/print-fec2e47d6d8dcc5d4c101139f17046ba981ca1c12f71e7e403fba50cc7584175.css>; rel=preload; as=style; nopush,</assets/other_js/modernizr.custom.93544-c26374a79d804901074bb4aa6fd3fa44ea22e840389915d2adce16b024021ef3.js>; rel=preload; as=script; nopush,</assets/other_js/js.cookie.min-de103d86d1919b40950f791699b4ce768137fde41af09b35ff92bde369732183.js>; rel=preload; as=script; nopush,</assets/other_js/jquery-3.5.1-2c4ce18a1a3f144c333912efc24a76c9a165a0dba9f88a499985df1af0a196a2.js>; rel=preload; as=script; nopush"}

Share page

Recommend this page

Recommend this page by sending a link by mail.

Fields marked with an (*) are required fields.

Share page

Thank you for your recommendation!

Your recommendation has been sent and should arrive shortly.

Contact

We are here for you

Please specify your message and type of request.
Tel.: +43 1 250 43-0 | Fax: +43 1 250 43 34

Attachment (max. 10MB)

Fields marked with an (*) are required fields.

Contact

Thank you for your message!

Your message is send and will be processed shortly.
Our department for Service-Requests will contact you asap.
For general question regarding products or services you can also call:
Tel.: +43 1 250 43-0| Fax: +43 1 250 43 34

Contact

We are here for you

Please specify your message and type of request.
Tel.: +43 1 250 43-0 | Fax: +43 1 250 43 34

Attachment (max. 10MB)

Fields marked with an (*) are required fields.

Contact

Thank you for your message!

Your message is send and will be processed shortly.
Our department for Service-Requests will contact you asap.
For general question regarding products or services you can also call:
Tel.: +43 1 250 43-0| Fax: +43 1 250 43 34